Клапан противопожарный ОЗ-МС-60 многостворчатый
Клапаны противопожарные ОЗ МС изготавливаются с режимами работы:
- (НО) нормально открытый (огнезадерживающий);
- (НЗ) нормально закрытый (приточные, вытяжные и дымоудаления).
Нормально открытый (НО) предназначен для блокирования распространения огня и продуктов горения по воздуховодам, шахтам и каналам систем вентиляции и кондиционирования при пожаре в зданиях и сооружениях различного назначения. Устанавливается в проемах или в местах прохода указанных систем через противопожарные преграды с нормируемым пределом огнестойкости (противопожарные стены, перегородки и перекрытия).
Нормально закрытый (НЗ) предназначен для использования в системах приточной и вытяжной противодымной вентиляции и в системах дымоудаления. Открывается во время или после пожара. Устанавливается в проемах стен, перекрытий, подвесных потолков, а также в торце воздуховодов.
Применение клапанов ОЗ МС осуществляется в соответствии с требованиями СП 60.13330.2012, CП 7.13130.2013, ГОСТ Р 53301-2013 и действующими территориальными строительными нормами.
Климатическое исполнение и категория размещения - УЗ по ГОСТ 15150-69. Окружающая среда не должна содержать агрессивных паров и газов в концентрациях, разрушающих металлы, лакокрасочные покрытия и изоляцию.
Клапаны не подлежат установке в помещениях категорий А, Б и В, определение категорий помещений согласно СП 12.13130.2009, в системах вентиляции и местах отсоса взрывопожароопасных и агрессивных сред, а также в системах, не подвергающихся очистке от горючих отложений.
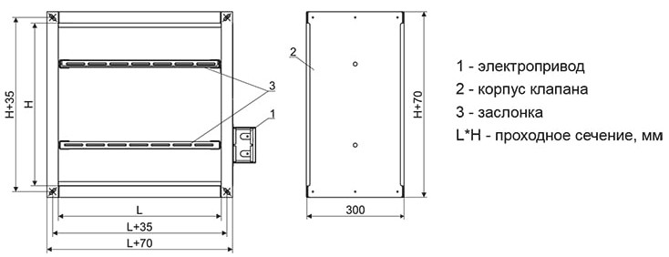
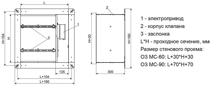
Клапаны ОЗ МС состоят из корпуса, заслонок, привода. Выпускаются только прямоугольного сечения, вылет заслонок за корпус клапана отсутствует. Расположение электропривода только по высоте (H) клапана.
Предел огнестойкости клапанов ОЗ МС: EI 60 (односекционные), где:
E – потеря целостности. Она проявляется образованием в конструкции сквозных отверстий или трещин, через которые на обратную (необогреваемую) поверхность проникают продукты горения и (или) открытое пламя.
I – Потеря теплоизолирующей способности. Она характеризуется повышением температуры на необогреваемой поверхности конструкции до предельных значений.
60 – количество минут от начала огненного воздействия до проявления одного или нескольких признаков предельных состояний.
Способы управления заслонкой клапана ОЗ МС
|
Тип привода |
Принцип срабатывания привода |
Механизм перевода заслонки |
Способ перевода заслонки |
||
|
в рабочее положение |
в исходное положение |
из рабочего положения в исходное (многократное использование) |
Из исходного положения в рабочее |
||
|
М |
отключение питающего напряжения |
возвратная пружина |
электропривод |
дистанционный с пульта управления |
автоматический, по сигналам пожарной автоматики;
дистанционный с пульта управления
от кнопки/тумблера в месте установки клапана |
|
вручную |
|||||
|
Р |
подача напряжения на соответствующие клеммы питания привода |
электропривод |
электропривод |
дистанционный с пульта управления |
|
|
вручную |
|||||
|
ЭМ |
подача напряжения на электромагнит* |
возвратная пружина |
- |
вручную |
|
* Подача напряжения на катушку электромагнита не более 1 минуты по требованиям производителя.
Удельное сопротивление дымогазопроницанию*
|
L*H, мм (проходное сечение клапана) |
Удельное сопротивление, м3/кг |
|
300*300...500*500 |
не менее 12000 |
|
свыше 500*500...1000*1000 |
13000...25000 |
* Удельное сопротивление указано для цельного клапана (не в виде кассет) согласно таблицам типоразмерного ряда.
Габаритные и присоединительные размеры (мм)
Минимальный размер проходного сечения (L*H): 300*300 мм далее с шагом 50 мм в любом сочетании.
Максимальный размер цельного клапана – 1000*1000 мм, далее в виде кассет до 1500*1500 мм (стандартно) и до 2000*2000 мм (по отдельному запросу).
Клапаны ОЗ МС-60 канального типа

Клапаны ОЗ МС-60 стенового типа

Клапаны ОЗ МС-60 канального типа в виде кассет

Типоразмерный ряд и значения площади живого сечения ОЗ МС-60 канального типа, м2

Примечание:
1и/2и/3и - по запросу возможно изготовление данных типоразмеров в виде кассет в одном из исполнений.
Клапаны ОЗ МС-60 стенового типа в виде кассет

Типоразмерный ряд и значения площади живого сечения ОЗ МС-60 стенового типа, м2

Примечание:
1и/2и/3и - по запросу возможно изготовление данных типоразмеров в виде кассет в одном из исполнений.
Значение коэффициентов местного сопротивления ε клапанов из ОЗ МС-60

Масса клапанов ОЗ МС-60, кг

Характеристики электромагнитного привода и приводов производства РОВЕН
|
Характеристика |
Электро-магнитный |
Электромеханический РОВЕН* |
Реверсивный РОВЕН* |
|||||
|
RLF03-24S |
RLF03-220S |
RLF05-24S |
RLF05-220S |
RLE10- 24S |
RLE10- 220S |
|||
|
Время поворота, с |
2 |
25...45 (возвратная пружина <15) |
50...70 (возвратная пружина <25) |
<30 |
<30 |
|||
|
Крутящий момент, Нм |
- |
3 |
3 |
5 |
5 |
10 |
10 |
|
|
Напряжение электропитания привода, В |
24/220 |
~24±10% |
~230±10% |
~24±10% |
~230±10% |
24 |
220 |
|
|
Потребляемая мощность, Вт |
во время вращения |
70 |
5,0 |
5,0 |
5,0 |
5,0 |
4,0 |
4,0 |
|
в состоянии покоя |
- |
3,5 |
3,5 |
3,5 |
3,5 |
3,0 |
3,0 |
|
|
Рабочая температура, °С |
-30...+50 |
-30..+50 |
-30..+50 |
-30..+50 |
-30..+50 |
-30..+50 |
-30..+50 |
|
|
Степень защиты |
IP54 |
IP54 |
IP54 |
IP54 |
IP54 |
IP54 |
IP54 |
|
|
Масса, кг |
1,5 |
1,2 |
1,2 |
1,8 |
1,8 |
1,8 |
1,8 |
|
* Полная информация по электроприводам РОВЕН в разделе "Электроприводы RWE/RWF, RLE/RLF".
Схемы установки клапанов

Электрические схемы подключения клапанов ОЗ МС


Не представленные в наличии модели доступны к поставке под заказ
Оповестить о поступлении
Всю необходимую информацию также можно получить по телефону «горячей линии»
+ 7 800 200 93 96или по телефону
+7 800 505 08 67 получить консультацию