Каталог товаров

Вставка гибкая дымоудаления для вентиляторов РОСА

СДЕЛАНО В РОВЕН
Описание товара
Характеристики моделей
Купить

Вставки гибкие круглые предназначены для предотвращения передачи вибрации от вентилятора к воздуховоду. Вставки гибкие круглые в исполнении «дымоудаление» применяются в системах вытяжной противодымной вентиляции и способны выдерживать температуру до +400°С в течение 120 минут.
Корпус вставки изготовлен из оцинкованной стали, в середине закреплена лента, обеспечивающая герметичность канала. Конструкция вставки позволяет крепить её к фланцам вентиляторов с помощью болтов или реечного соединения.

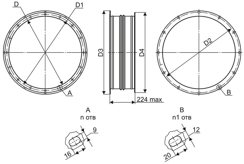
Вставки гибкие круглые с типом соединения фланец-фланец для вентиляторов РОСА

ВГК РОСА-Ex Ф-Ф_чертеж.jpg

Модель

№ вент.

D

D1

D2

D3

D4

n, шт

n1, шт

Масса, кг

ВГК-РОСА-4,0-Ф/Ф-Т400

4,0

400

434

436

463

453

8

8

3,3

ВГК-РОСА-4,5-Ф/Ф-Т400

4,5

450

479

486

513

503

8

8

3,6

ВГК-РОСА-5,0-Ф/Ф-Т400

5,0

500

534

536

563

553

16

12

4,0

ВГК-РОСА-5,6-Ф/Ф-Т400

5,6

560

589

620

643

613

16

12

5,1

ВГК-РОСА-6,3-Ф/Ф-Т400

6,3

630

665

690

713

683

16

12

5,7

ВГК-РОСА-7,1-Ф/Ф-Т400

7,1

710

739

770

793

763

16

16

6,4

ВГК-РОСА-8,0-Ф/Ф-Т400

8,0

800

829

860

883

853

16

16

7,2

ВГК-РОСА-9,0-Ф/Ф-Т400

9,0

900

938

960

983

953

16

16

8,0

ВГК-РОСА-10,0-Ф/Ф-Т400

10,0

1000

1030

1070

1103

1053

16

16

10,0

ВГК-РОСА-11,2-Ф/Ф-Т400

11,2

1120

1158

1195

1223

1173

16

16

11,2

ВГК-РОСА-12,5-Ф/Ф-Т400

12,5

1250

1280

1320

1353

1303

16

16

12,5

Маркировка:
Вставка гибкая ВГК-РОСА-4,0-Ф/Ф-Т400
           где:  ВГК-РОСА – вставка гибкая круглая для осевых вентиляторов РОСА;
                   4,0 – типоразмер вставки гибкой круглой (номер вентилятора);
                   Ф/Ф – тип соединения вставки гибкой круглой: Ф/Ф – фланец-фланец;
                     Т400 – исполнение вставки гибкой круглой: Т400 – дымоудаление с предельной температурой до 400°С.

Вставки гибкие круглые с типом соединения фланец-ниппель для вентиляторов РОСА

ВГК РОСА-Ex Ф-Н_чертеж.jpg

Модель

№ вент.

D

D1

D2

n, шт

Масса, кг

ВГК-РОСА-4,0-Ф/Н-Т400

4,0

399

436

463

8

2,2

ВГК-РОСА-4,5-Ф/Н-Т400

4,5

449

486

513

8

2,4

ВГК-РОСА-5,0-Ф/Н-Т400

5,0

499

536

563

12

2,7

ВГК-РОСА-5,6-Ф/Н-Т400

5,6

559

620

643

12

3,6

ВГК-РОСА-6,3-Ф/Н-Т400

6,3

629

690

713

12

4,0

ВГК-РОСА-7,1-Ф/Н-Т400

7,1

709

770

793

16

4,5

ВГК-РОСА-8,0-Ф/Н-Т400

8,0

799

860

883

16

5,1

ВГК-РОСА-9,0-Ф/Н-Т400

9,0

899

960

983

16

5,7

ВГК-РОСА-10,0-Ф/Н-Т400

10,0

999

1070

1103

16

7,4

ВГК-РОСА-11,2-Ф/Н-Т400

11,2

1119

1195

1223

16

8,3

ВГК-РОСА-12,5-Ф/Н-Т400

12,5

1249

1320

1353

16

9,2

Маркировка:
Вставка гибкая ВГК-РОСА-4,0-Ф/Н-Т400
           где:  ВГК-РОСА – вставка гибкая круглая для осевых вентиляторов РОСА;
                   4,0 – типоразмер вставки гибкой круглой (номер вентилятора);
                   Ф/Н – тип соединения вставки гибкой круглой: Ф/Н – фланец-ниппель;
                     Т400 – исполнение вставки гибкой круглой: Т400 – дымоудаление с предельной температурой до 400°С.

Не представленные в наличии модели доступны к поставке под заказ

Оповестить о поступлении

Спасибо за обращение!
Наш менеджер свяжется с вами.

Всю необходимую информацию также можно получить по телефону «горячей линии»

+ 7 800 200 93 96

или по телефону

+7 800 505 08 67 получить консультацию